H48Y空排止回阀安装在火电机组的高压给大泵出口管道上,防止给水倒流,保护给水泵。该阀配合水泵zui小流量自 动再循环旁阀工作,当给水泵在低负荷或者出口截门关闭状态时,自动再循环旁路阀应处于开启位置,以保证水泵 的安全运行。当开启时,再循环旁路阀就自动关闭。不宜用于含有固体颗粒和粘度较大的介质。175H48Y(H)-200,主要用于火电厂给水泵出口处。配合水泵zui小流量再循环阀工作,维持系统的安全运行。
动作原理如下:
打开出口阀,给水泵启动,给水达到一定的压力后,阀芯自动升起,推离阀座,给水即流出。同时阀芯连杆拔动排空口阀片封闭排空口。当给水泵流量减小时,阀芯下落,推动连杆拔开排空阀片,开启再循环门维持水泵最小流量。当停泵时,阀芯自动下落关闭通道,从而防止高压水锤对给水系统的破坏。

1、阀 门由止回阀和再循环旁路阀与节流装置组成。
2、当介质顺流时,阀瓣自动开启,由于杠杆作用将旁泄阀门关闭,当介质逆流时,阀瓣自动关闭,而旁泄门则开启,把泵打出的水从旁泄门排出重新流回给水箱内。
3、阀瓣密封面采用硬质合金堆焊而成,耐磨、抗冲蚀性好。
4、阀门流道设计优越,减缓对阀瓣的冲蚀:阀瓣密封小经根部采用特殊工艺措施减缓空穴冲蚀,延长使用寿命。
5、阀门应垂直安装。
主要参数
| 公称压力PN/MPa | 壳体试验压力Ps/MPa | 工作压力PN/MPa | 适用介质 | 工作温度/℃ | 
| 20.O | 30.O | 20.O | 水 | ≤160 | 
材质
| 零件名称 | 材料 | 
| 阀体、定位轮、连接法兰、排气法兰、法兰盖 | 碳素铸钢 | 
| 导向轴、拔叉、轴套、滑块、排放套、排气盘 | 不锈钢 | 
| 螺栓、螺柱 | 铬钼钢 | 
| 衬套 | 铸铝青铜 | 
| 阀瓣、阀瓣体、阀瓣轴、连接叉、螺母 | 优质碳素钢 | 
设计与制造标准
| 设计与制造 | 法兰尺寸 | 结构长度 | 检验与试验 | 
| JB/T3595 | JB/T79 GB/T 9113 | / | JB/T3595 JB/T9092 | 

试验压力
| 型号 | 公称压力 PN(MPa) | 壳体试验 (MPa) | 密 封试验 (MPa) | 
| H48Y-200 | 20.0 | 30.0 | 22.0 | 
| H48Y-100 | 10.0 | 15.0 | 11.0 | 
主要零部件材质和适用范围
| 阀体 | 摇杆 | 阀瓣 | 节流环 | 适用温度 (℃) | 适用介质 | 
| 碳钢 | 不锈 钢 | 碳钢 | 不锈钢 | ≤425 | 水 | 
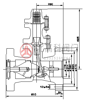
主要尺寸
| H48Y及规格 | L | L1 | D | D1 | D2 | D6 | b-f | f2 | z-d | d | H | 
| H48Y-200 DN250 | 900 | 450 | 670 | 572 | 506 | 319 | 130-3 | 6 | 16-φ58 | 121 | 930 | 
| DN225 | 900 | 450 | 580 | 483 | 418 | 268 | 100-3 | 6 | 12-φ58 | 121 | 930 | 
| DNl75 | 610 | 330 | 475 | 394 | 340 | 214 | 84-4 | 6 | 12-φ48 | 66 | 686 | 
| DNl50 | 610 | 345 | 395 | 360 | 305 | 190 | 82-3 | 6 | 12-φ48 | 56 | 686 | 
| H48Y-100 DN150 | 620 | 380 | 350 | 290 | 250 | 204 | 46-3 | 4.5 | 12-φ34 | 69 | 640 | 
| DN100 | 415 | 258 | 265 | 210 | 172 | 150 | 38-3 | 4.5 | 8-φ30 | 51 | 394 | 






 <
< <
< <
< <
< <
< <
< <
< <
< <
< <
<



 
